
?產品概述:吸泥機是給水工程沉淀池的污水處理和一沉池等不可缺少的設備之一,該機可以克服活性污泥比重小,含水率高,難于 刮集的困難,最大的優點就是可任意調節吸泥量。我公司生產周邊傳動吸泥機分全橋式和半橋式兩種。

特點:周邊傳動吸泥機的傳動機構為擺線針輪減速機和開式鏈條二級減速。行走車輪沿池頂走道作圓周運行,池頂污泥經刮板刮集由吸泥管吸出、通過排泥槽及排泥缸排出池外。液面可設有浮渣刮集裝置,其電源及壓縮空氣均從池底中心輸入。
XZB型吸泥機一般用于大型(一般指流量大于500m3/h) 污水處理工程的幅流式沉淀池,特別適用于二沉池池底污 泥的刮集及外排。池形一般采用中心進水、周邊出水、中 心排泥,池底可不設坡度(平底結構),二沉池使用尤為廣 泛。水面浮渣、浮沫等雜物可由浮渣刮集裝置刮排至池外 渣坑或渣斗。靜壓排泥依靠各個管口閥門,調節流量流至 中心泥缸直接外排。虹吸排泥主要是利用真空泵抽真空進 行二次虹吸提升排泥力矩變化范圍較大的場合,可采用帶力矩保護裝置的軸裝 式減速機。
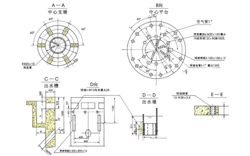
XZB 型外形結構

技術參數: Technical parameters


訂貨說明:
1、訂貨時應注明生產型號規格及詳細的池形參數。
2、訂貨時應注明有關供貨范圍(是否包括穩流筒、出水堰、浮渣刮集裝置、電控裝置等)。
3、本產品一般按碳鋼普通油漆防腐供貨。如客戶有特殊要求請注明。
上一篇: GCZ 型垂架式中心傳動刮泥機
下一篇:GZB 型周邊傳動刮吸泥機